一、視頻實拍
二、產品簡介
LXS-15F~65F系列旋翼多流液封水表,用于抄表的計數字輪或整個計數器全部用一定濃度的甘油等配制液體密封。本類水表的密封隔離計數器內的清晰度不受外部水質的影響,其余的結構性能與濕式水表相同。
旋翼多流全液封水表
旋翼多流半液封水表
三、產品特點
1.水平安裝;
2.多流束;
3.機械傳動;
4.計數器的數字輪用特種液體封裝,可長期保持讀數清晰;
5.具有濕式水表始動流量小,干式水表讀數清晰的優點,適用于水質較差的管道網絡;
6.采用優質材料,性能穩定可靠;
7.計量精度可達ISO 4064 C級(R160);
8.可根據用戶需要生產同型號的高靈敏度水表;
9.水表外殼有塑殼、鐵殼、銅殼和不銹鋼殼等可選,其中銅殼可選本色或噴塑;
10.適用于≤50℃的冷水;
11.水壓≤1.6MPa (16bar)。
四、流量技術參數
| 型號 | 公稱口徑 | 英寸 | 計量等級 | Qmax | Qn | Qt | Qmin | 最小讀數 | 最大讀數 |
| 最大流量 | 常用流量 | 分界流量 | 最小流量 | ||||||
| DN(mm) | m3/h | L/h | m3 | ||||||
| LXS-15F | 15 | 1/2" | B | 3 | 1.5 | 120 | 30 | 0.00005 | 99999 |
| C | 22.5 | 15 | |||||||
| LXS-20F | 20 | 3/4" | B | 5 | 2.5 | 200 | 50 | 0.00005 | 99999 |
| C | 37.5 | 25 | |||||||
| LXS-25F | 25 | 1" | B | 7 | 3.5 | 280 | 70 | 0.00005 | 99999 |
| C | 52.5 | 35 | |||||||
| LXS-32F | 32 | 11/4" | B | 12 | 6 | 480 | 120 | 0.00005 | 99999 |
| C | 90 | 60 | |||||||
| LXS-40F | 40 | 11/2" | B | 20 | 10 | 800 | 200 | 0.00005 | 99999 |
| C | 150 | 100 | |||||||
| LXS-50F | 50 | 2" | B | 30 | 15 | 3000 | 450 | 0.00005 | 99999 |
| C | 225 | 90 | |||||||
| LXS-65F | 65 | 21/2" | B | 50 | 25 | 5000 | 750 | 0.00005 | 99999 |
| C | 375 | 150 | |||||||
| 型號 | LXS-15F | LXS-20F | LXS-25F | LXS-32F | LXS-4OF | LXS-50F | LXS-65F | |
| 公稱口徑 | 毫米(mm) | 15 | 20 | 25 | 32 | 40 | 50 | 65 |
| 英寸 | 1/2" | 3/4" | 1" | 11/4" | 11/2" | 2" | 21/2" | |
| Q?(m3/h) | 3.125 | 5 | 7.875 | 12.5 | 20 | 31.25 | 50 | |
| Q?(m3/h) | 2.5 | 4 | 6.3 | 10 | 16 | 25 | 40 | |
| R80 | Q?(L/h) | 50 | 80 | 126 | 200 | 320 | 500 | 800 |
| Q?(L/h) | 31.25 | 50 | 78.75 | 125 | 200 | 312.5 | 500 | |
| R100 | Q?(L/h) | 40 | 64 | 100.8 | 160 | 256 | 400 | 640 |
| Q?(L/h) | 25 | 40 | 63 | 100 | 160 | 250 | 400 | |
| R125 | Q?(L/h) | 32 | 51.2 | 80.64 | 128 | 204.8 | 320 | 512 |
| Q?(L/h) | 20 | 32 | 50.4 | 80 | 128 | 200 | 320 | |
| R160 | Q?(L/h) | 25 | 40 | 63 | 100 | 160 | 250 | 400 |
| Q?(L/h) | 15.62 | 25 | 39.37 | 62.5 | 100 | 156.2 | 250 | |
| 最小讀數(m3) | 0.00005 | 0.00005 | 0.00005 | 0.00005 | 0.00005 | 0.00005 | 0.00005 | |
| 最大讀數(m3) | 99999 | 99999 | 99999 | 99999 | 99999 | 99999 | 99999 | |
| 最大承受壓力(MAP) | 16 | 16 | 16 | 16 | 16 | 16 | 16 | |
| 壓損(ΔP) | 63 | 63 | 63 | 63 | 63 | 63 | 63 | |
| 最高溫度 | T50 | T50 | T50 | T50 | T50 | T50 | T50 | |
五、最大允許誤差
① 低區 (Q?≤Q<Q?) 最大允許誤差為±5%;
② 高區 (Q?≤Q≤Q?) 最大允許誤差為±2% (熱水表±3%)。

六、壓力損失曲線

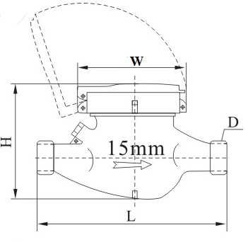
七、外形及規格尺寸
![]() | ![]() |
| 型號 | 公稱口徑 DN | 長 L | 寬 D | 高 H | 連接螺紋 |
| mm | D | ||||
| LXS-15F | 15 | 165/190 | 98 | 104 | G?B |
| LXS-20F | 20 | 190/195 | 98 | 106 | G1B |
| LXS-25F | 25 | 260/225 | 103 | 115 | G1?B |
| LXS-32F | 32 | 260/230 | 103 | 115 | G1?B |
| LXS-40F | 40 | 300/245 | 124 | 153 | G2B |
| LXS-50F | 50 | 300 | 124 | 153 | G2?B |
| 280 | 165 | 175 | 法蘭連接 GB 4216.4 | ||
| LXS-65F | 65 | 280 | 165 | 179 | |